Eigentumswohnung
Fichtenstraße 3, 5, 7, 9, 11, 13, 15, 89231 Neu-Ulm
136.000 €














Fichtenstraße 3, 5, 7, 9, 11, 13, 15, 89231 Neu-Ulm
Premium-Feature
7 Tage kostenlos TestenLeichte Feuchtigkeitsschäden im Kellerbereich. Sanierungsbedarf an der Außenfassade.
Premium-Feature
7 Tage kostenlos TestenGrundschuld zugunsten der Sparkasse München. Hypothek über 150.000 €.
Premium-Feature
7 Tage kostenlos TestenPremium-Feature
7 Tage kostenlos TestenPremium-Feature
7 Tage kostenlos TestenDas Gebäude befindet sich in einem guten Zustand. Die Fassade wurde vor kurzem renoviert und zeigt keine größeren Mängel. Das Dach ist intakt und wurde 2018 erneuert.
Die Innenräume sind gepflegt und modernisiert. Böden in gutem Zustand, Elektrik entspricht aktuellen Standards. Küche und Badezimmer wurden vor 5 Jahren erneuert.
Die Innenräume sind gepflegt und modernisiert. Böden in gutem Zustand, Elektrik entspricht aktuellen Standards. Küche und Badezimmer wurden vor 5 Jahren erneuert.
Premium-Feature
7 Tage kostenlos TestenMassivbauweise aus dem Jahr 1985. Ziegeldach mit Betondachsteinen. Keller vorhanden und trocken. Fundament in gutem Zustand ohne erkennbare Setzungsrisse.
Regelmäßige Wartung und Pflege erkennbar. Heizungsanlage wurde 2020 gewartet. Fassade in gutem Zustand, letzte Renovierung 2019. Dachrinnen und Fallrohre intakt.
Energetische Sanierung 2018 durchgeführt. Neue Fenster mit Dreifachverglasung installiert. Dämmung der Außenwände nach EnEV-Standard erneuert.
Keine bekannten Baulasten eingetragen. Grundbuch zeigt keine Belastungen bezüglich Baubeschränkungen oder Durchfahrtsrechte.
Premium-Feature
7 Tage kostenlos TestenAuszug aus dem
Gutachten
des Sachverständigen über den Verkehrswert über das Erbbaurecht an der Eigentumswohnung Nr. 30 mit 10,06/1000 Miteigentumsanteilen an dem Grundstück, in 89231 Neu-Ulm, Fichtenstraße 3, 5, 7, 9, 11, 13, 15
Wertermittlungsstichtag: 03.04.2025
Verkehrswert: 136.000,- €
Hinweise:
Grundstücksbeschreibung
Ortslage im Osten der Stadtmitte
Umgebungsbebauung Geschosswohnungsbau
Erschließung voll erschlossen
Gebietscharakter Mischgebiet
Wohnlage einfach
Eckdaten des Erbbaurechtsvertrag
Gebäudebeschreibung
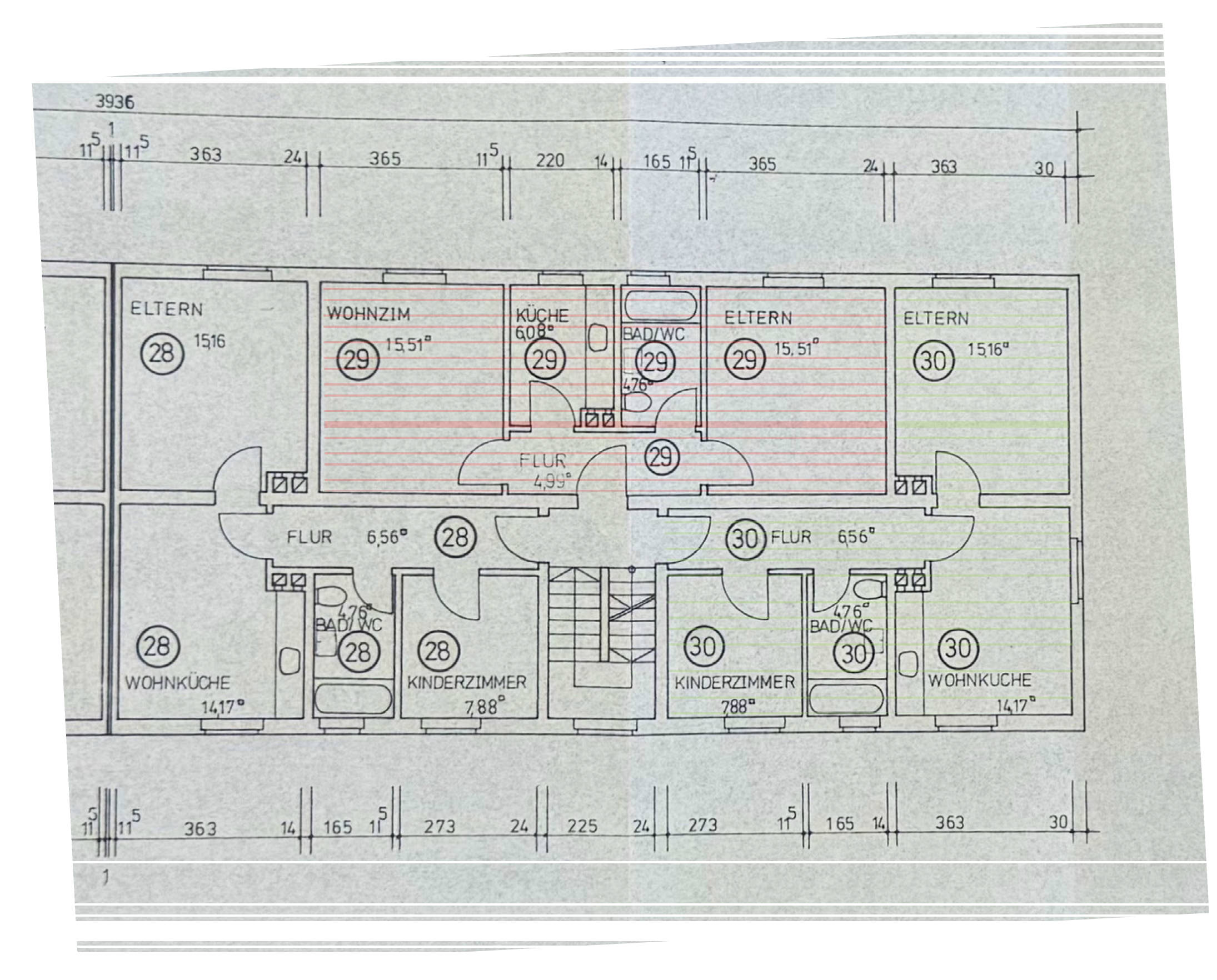
Bebauung 8 baugleiche Gebäuderiegel und 1 Garagenanlage; Wohnanlage bestehend aus 4 baugleichen Wohnblocks jeweils HsNr. 1 u. 3, 5 u. 7, 9 u. 11 sowie 13 u.15. Die zu bewertenden Wohneinheiten Nr. 29 und Nr. 30 befinden sich im Haus-Nr. 7.
HsNr. 7
Gebäudetyp und Nutzung
Baujahr ca. 1954, gemäß Datum des Erbbaurechtsvertrags geschätzt
Bau- und Unterhaltungszustand durchschnittlich, Folgende Modernisierungen wurden am Gemeinschaftseigentum durchgeführt:
Bauweise
Umfassungswände 30 cm Mauerwerk mit Vollwärmeschutz, verputzt
Kellerumfassung 30 cm Beton
Innenwände Mauerwerk
Decken Betondecken
Dach Satteldach mit Dachneigung ca. 35°, Holzdachstuhl mit Tonpfannen gedeckt
Treppen vom KG bis EG Betontreppe mit Glattstrich vom EG bis DG Betonmassivtreppe mit Terrazzo- Fertigteiltreppenstufen, Stahlstabgeländer
Spenglerarbeiten Dachrinnen und Fallrohre, Verblechungen aus Kupferblech
Fassadengestaltung einfache Putzfassade
Beschreibung der Wohnung Nr. 30
Lage Eingang Hs.Nr. 7, 1. Obergeschoss, rechts; zweiseitig von Westen und Süden belichtet
Größe 48,53 m², lt. Eintrag in den Teilungsplänen
Ausstattung der Wohnung Eine Innenbesichtigung der Wohnung war nicht möglich, da mir der Eigentümer beim angekündigten Besichtigungstermin keinen Zutritt verschaffte. Wegen Unwägbarkeiten bei der Art und dem Zustand der Innenausstattung wird bei der Herleitung des Verkehrswerts ein Risikoabschlag vorgenommen.
Fenster von außen feststellbar: Kunststofffenster mit Isolierverglasung und Kunststoffrollladen
Balkon kleiner Westbalkon
Allgemeine Wertung
Die Lage der Bewertungsobjekte ist innerhalb von Neu-Ulm als zentrale, aber einfache Wohnlage zu werten. Das Gebäude entspricht Baustandard der 50er Jahre. Der Wärmschutz wurde durch Einbau eines Vollwärmeschutzes sowie durch Einbau neuer Fenster verbessert.
Zur Wohnung Nr. 30: Mit rund 48,5 m² Wohnfläche ist die Raumaufteilung der 3-Zimmer-Wohnung für einen 2-3 Personenhaushalt geeignet. Der kleine Westbalkon erhöht den Wohnwert der Wohnung.
Außenanlagen
Das Grundstück ist nicht eingefriedet. Die Freiflächen sind mit Rasen und Gehölzen einfach angelegt. Die Wege zu den Hauseingängen sind mit Betonpflaster befestigt. Die Grundstückszufahrt ist asphaltiert.
Premium-Feature
7 Tage kostenlos TestenAls Eigentümer können Sie uns zusätzliche Informationen zu Ihrer Immobilie zur Verfügung stellen, die potentiellen Interessenten helfen könnten. Dies kann sich positiv auf das Versteigerungsergebnis auswirken.
Kontaktieren Sie uns per E-Mail unter info@zvgscout.com mit dem Kennzeichen: 1 K 46-24-1.
(Berechnet auf Basis des Verkehrswerts als Zuschlagswert)
(verzinster Betrag: 122.400 €)
Alle Angaben und Berechnungen von ZvgScout sind ohne Gewähr.
Detaillierte Kostenaufstellung & Rechner
Musterstraße 12, 12345 Musterstadt
Supermarkt
Schulweg 8, 12345 Musterstadt
Schule
Bahnhofsplatz 1, 12345 Musterstadt
ÖPNV
Alle oben gemachten Angaben ohne Gewähr. ZvgScout übernimmt keine Haftung für die Richtigkeit und Vollständigkeit der dargestellten Informationen.